COMSOL Conference 2025 Proceedings
Collection of Papers, Posters, and Slideshows Accepted by the Program Committee
At the COMSOL Conference 2025, engineers, researchers, and scientists from around the globe showcased their use of modeling and simulation across all major industries and in academia. Use the Quick Search tool to find a specific presentation or filter by topic or event location.
ISBN: 978-1-7364524-3-1
Energy harvesting from ambient vibrations has become an interesting topic for powering wireless sensor networks. Resonant microdevices based on MEMS have become of central importance at low frequency. The power produced at resonance is at least one order of magnitude larger than off ... 詳細を見る
The core unit of desiccant cooling systems is a dehumidifying device, in most cases a wheel made of inert material coated with an adsorbent (silica gel in the present work). Two sections can be identified: air to be dehumidified was passed through the process section, while in the ... 詳細を見る
The effects of sharp corners on the flux distribution in a ferromagnetic core are modeled using COMSOL Multiphysics® to determine the time-domain flux density for an applied field which is uniform in the non-corner section of the core. The frequency spectrum of the flux distribution is ... 詳細を見る
Electrostrictive polymers have been of significant interest over the last years for energy harvesting. Principle is based on the conversion of a mechanical deformation into electricity. The stored energy basically depends on the mechanical strain induced into an electrostrictive polymer ... 詳細を見る
Microdialysis is a technique of continuous glucose monitoring in diabetic patients. In microdialysis, a saline serum is perfused into a microdialysis probe. Glucose pass from the plasmatic fluid through the porous membrane. The glucose concentration in the dialysate obtained is measured ... 詳細を見る
This paper shows a model to estimate the scaling parameters for reverse osmosis membrane processes. The model takes into account the concentration polarization of ionic species in the membrane channel of spiral-wound modules and the effect of the spacers on the flow. The scaling ... 詳細を見る
Circuit board failures are often ignored because they could be impreceptible. This simulation examines how internal layers around a soldered pin via subject to temperature changes during the soldering process are affected, show the forces involved and determine breaking points. A 2D ... 詳細を見る
Reformer and catalytic burners are common components in fuel cell systems, crucial for efficient preparation of fuel and exhaust gases of the fuel cell stack. We intend to show the influence of radiation to the temperature distribution inside of a reformer unit. The model consists of an ... 詳細を見る
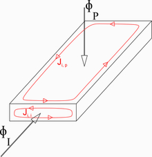
Laminated media are intended to conduct the magnetic flux in the plane (high resistance to limit the eddy currents). When fringing flux falls in perpendicularly to the plane, the surface for the eddy currents is no longer small. This will cause eddy current losses, which will reduce the ... 詳細を見る
In the field of electric machines, a trend towards both higher efficiency and higher power density is observed. This has led to a growing importance of Permanent Magnet Synchronous Machines. However, the magnets used in these machines risk demagnetization at high temperatures. Especially ... 詳細を見る
