アプリケーションギャラリには電気, 構造, 音響, 流体, 熱および化学分野に関連する COMSOL Multiphysics® チュートリアルおよびデモアプリファイルが用意されています. これらの例はチュートリアルモデルまたはデモアプリファイルとそれに付随する手順をダウンロードすることにより独自のシミュレーション作業の開始点として使用できます.
クイック検索機能を使用して専門分野に関連するチュートリアルやアプリを検索します. MPHファイルをダウンロードするには, ログインするか, 有効な COMSOL ライセンスに関連付けられている COMSOL アクセスアカウントを作成します. ここで取り上げた例の多くは COMSOL Multiphysics® ソフトウェアに組み込まれ ファイルメニューから利用できるアプリケーションライブラリからもアクセスできることに注意してください.
This example focuses on the species transport within the gas diffusion layers (GDLs) of a proton exchange membrane (PEM) fuel cell. The geometry models a cell with two adjacent flow channels of different pressures, a situation that may occur in a cell with serpentine flow channels, or in ... 詳細を見る
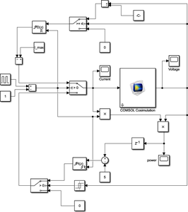
This model illustrates the charge/discharge control of a Lithium-Ion battery in a Simulink® simulation. 詳細を見る
A radio frequency quadrupole ion trap utilizes a radio frequency quadrupole (RFQ) in order to trap an ion beam. A continuous high energy ion beam is first cooled and converted into a spatially confined bunch, which can then be released with minimal heating of the beam. The device is also ... 詳細を見る
This tutorial shows how to evaluate the harmonic response of a structure with a moderately nonlinear behavior. A nonlinear problem can only be solved using time-domain analysis. A way to speed up the computation is to use a linearized frequency response analysis to provide good initial ... 詳細を見る
Freeze-drying, or lyophilization, is a process for drying heat-sensitive substances such as foods, blood plasma, and antibiotics. The wet substance is frozen and then, through sublimation, ice (or some other frozen solvent) is removed in the presence of a high vacuum. This example ... 詳細を見る
This model demonstrates the use of the Heat and Moisture Flow features for the simulation of superheated steam drying of a wood particle. A nonequilibrium formulation is used to compute the transport of the liquid water and vapor phases in the wood particle. Reference: Le, K. H., ... 詳細を見る
This example models an oil reservoir with two horizontal wells. The reservoir contains two phases, water and oil. Oil is recovered by injecting water through the bottom well, so the oil production rate and the water-oil production ratio over time are computed. 詳細を見る
Several mass–spring–damper models have been developed to study the response of a human body where mass, spring, and damper elements represent mass of different body parts, stiffness, and damping properties of various tissues. In this example, a lumped model of a human body having five ... 詳細を見る
A centrifugal governor is used to control the speed of rotating machinery. One of the most common applications is in controlling the RPM of an engine by regulating the fuel supply. This model illustrates the functioning of a spring loaded centrifugal governor. The dynamics of the ... 詳細を見る
このモデルは, 特定の材料特性セットに対するリチウムイオン電池の放電と充電を解析するためのリチウムイオン電池インターフェースを示します. ジオメトリは1次元で, モデルは等温です. 電池開発者は, このモデルを使用して, 材料, 寸法, 活性材料の粒度分布 (この場合は負極の炭素と正極のリチウムマンガン酸化物 (LiMn2O4) の選択など, さまざまな設計パラメーターの影響を調べることができます. また, 携帯電話やラップトップコンピューターなど, さまざまな動作条件やさまざまなデバイスでの電池性能をシミュレートすることもできます. 詳細を見る
